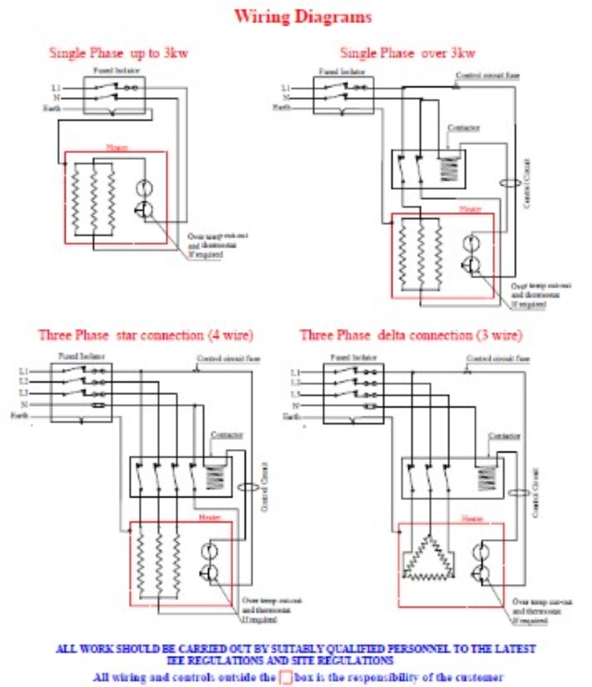
Immersion Heater Wiring Diagram.

Please find below our Immersion Heater Wiring Diagrams.

I know they are not great.

If you wanna make me something better, in return for a massive discount on your order, or some other form of barter/collaboration, please let me know on 01827 215684 or immhtr@gmail.com